Removal ProcedureRecord all of the radio station presets.Disconnect the battery negative cable. Refer toBattery Negative Cable Disconnection and Connection.Remove the ECM mounting bracket.

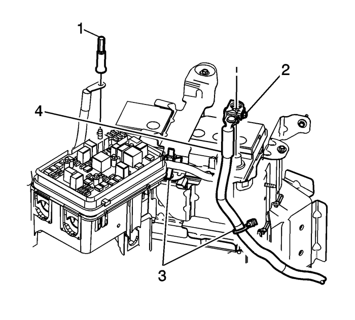
Remove the battery positive post clampnut-(2).Remove the battery retainer bracket and the battery. Refer toBattery Replacement.Remove battery positive terminal-(1) at the fuseblock.Disconnect retainers-(3) holding battery positivecable-(4).

Remove generator boot-(1) and nut (2) from thegenerator B+ stud.Remove the starter solenoid nut-(3).
Note:Observe how the battery positive cable was routed within theengine compartment.
Remove the battery positive (Starter) cable-(4)and the battery positive (Generator) cable-(5) from thevehicle.Installation Procedure
Caution:Refer toFastener Caution.
Install the battery positive cable nut-(2) to theB+ generator stud and tighten to20-Y(15-lb-ft).Install battery positive cable nut-(3) andterminals (Starter/Generator) to the starter solenoid. Tighten to10-Y(88-lb-in).
Install the battery positive cable terminalnut-(1) to the fuse block and tighten to16-Y(12-lb-ft).Install battery positive cable clamp nut-(2) tothe battery post and tighten to10-Y(88-lb-in).Install engine control module (ECM) and battery cover.Reset the radio channel presets.
Battery Positive Cable Replacement (LEA) Low Voltage Battery
Battery Charging Low Voltage BatterySunroof Motor/Actuator Initialization/Teach Process Moonroof/Sunroof Power Moonroof Motor and Cables
Note:If the sunroof motor is new, cycle the sunroofseven-(7) times to teach the motor/actuatorinitialization process.Perform the initialization/teach process on a new orreinstalled motor as follows:Ensure that the headliner electrical harness is connected tothe sunroof motor.Put the vehicle Park Bra ...