Removal ProcedureRaise and support the vehicle. Refer toLifting and Jacking the Vehicle.Remove the park brake cable from the trailing arm and fromthe frame. Refer toParking Brake Rear Cable Replacement.

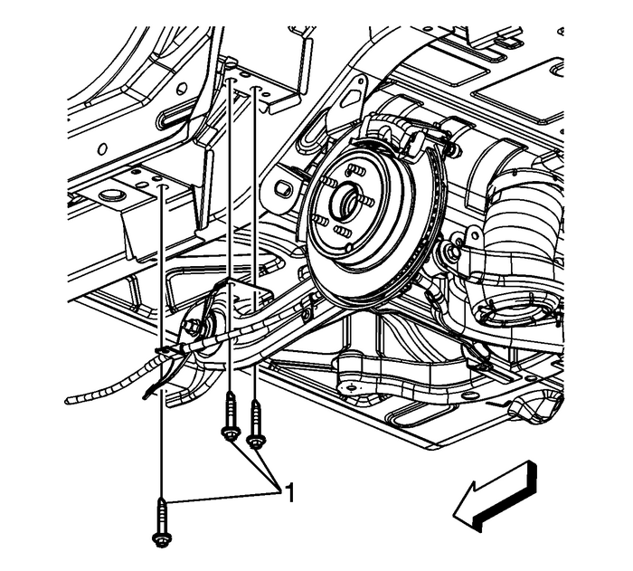
Remove the trailing arm bracket to bodybolts-(1).

Remove the trailing arm bushing to bracket nut andbolt.Remove the trailing arm bracket.Installation ProcedurePosition the trailing arm bracket to the trailing arm.

Loosely install the trailing arm bushing to bracket nut andbolt.

Push upward on the trailing arm bracket and loosely installthe front bolt-(1).
Caution:Refer toFastener Caution.
Use a drift to align the remaining trailing arm bracketbolts-(1). Tighten the bolts to110-Y(81-lb-ft).Tighten the trailing arm bushing to bracket nut and bolt to160-Y(118-lb-ft).Install the park brake cable on the trailing arm and on theframe. Refer toParking Brake Rear Cable Replacement.Remove the support and lower the vehicle.
Front Lower Control Arm Bushing Replacement (Rear Bushing) Control Arms Lower Control Arm
Rear Axle Lower Control Arm Replacement Control Arms Lower Control Arm#06-08-51-005C: Information on Hem Flange Sealer for Corrosion Protection - (Oct 30, 2013)
Subject:Information on Hem Flange Sealer for Corrosion ProtectionModels: 2014 and Prior GM Cars and TrucksAttention: Please direct this bulletin to the Body Shop or any areas of your dealership wheresheet metal replacement or corrosion repairs take place.This bulletin has been revised to add the 2 ...