
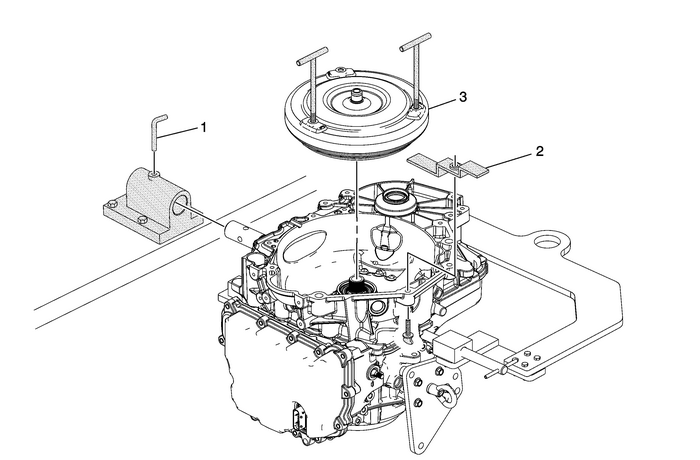
1 | Lock Pin Warning:Lock pin must be secured into the bench fixture to hold thetransmission and prevent bodily injury. Note:Ensure the DT-3289-20 holding fixture is mounted to a bench that is properly supported and will support the weight of thetransmission assembly without tipping. DT-39890 holding fixture adapter and an engine stand can be used as an alternative method for supporting the transmissionassembly during repairs. Special ToolsDT-3289-20 Holding FixtureDT-39890 Transmission Holding Fixture AdapterFor equivalent regional tools, refer toSpecial Tools. |
2 | DT-21366 Torque Converter Holding Strap |
3 | Torque Converter Assembly Caution:Only install the lift assist handles until it stops. Do nottighten. Over tightening the lift assist handles can cause damageto the torque converter. Note:Failure to raise the torque converter straight up could damage the torque converterclutch lip seal inside the torque converter clutch assembly. Special Tool DT-46409 Torque Converter Lifting Handles For equivalent regional tools, refer toSpecial Tools. |
Torque Converter Installation Automatic Transmission Unit
Torque Converter Removal Automatic Transmission UnitCamshaft Cleaning and Inspection Valvetrain Camshaft
Special ToolsGE 7872Magnetic Base Dial IndicatorFor equivalent regional tools, refer toSpecial Tools.Cleaning ProcedureClean the camshaft in solvent.Warning:Refer toSafety Glasses Warning.Dry the camshaft with compressed air.Visual InspectionInspect the camshaft oil feed holes-(1) to thecamshaft pos ...