
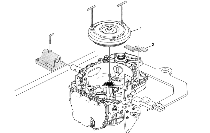
1 | Torque Converter Assembly Note:Failure to lower the torque converter straight down could damage the torque converterclutch lip seal inside the torque converter clutch assembly. Special Tool DT-46409 Torque Converter Lifting Handles For equivalent regional tools, refer toSpecial Tools. |
2 | DT-21366 Converter Holding Strap Warning:The torque converter must be held to the torque converterhousing by a retaining device such as shipping brackets. Withoutthe retaining device, the torque converter may slide forward,disengaging the oil pump, or may fall completely out of thetransmission causing personal injury and/or property damage. |
Torque Converter Installation Automatic Transmission Unit
Torque Converter Removal Automatic Transmission UnitTransmission Fluid Pump, Front Differential Carrier Baffle, and Front Differential Ring Gear Removal (6T40/45) Automatic Transmission Unit
Transmission Fluid Pump, Front Differential Carrier Baffle, and Front DifferentialRing Gear RemovalCalloutComponent Name1Front Differential Carrier Baffle Bolts-M6-x-25-(Qty:-2)2Front Differential Carrier Baffle3Front Differential Ring Gear RetainerNote:Note the direction of the taper to ensure prop ...