Removal ProcedureSet the park brake and chock the wheels.

Disconnect the range selector cable end-(1) from the range selector lever.Disconnect the range selector cable-(2) from the range selector cable bracket.

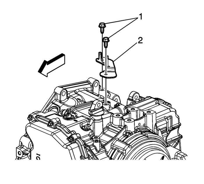
Remove the transmission range selector cable bracket bolts-(1).Remove the transmission range selector cable bracket-(2).Installation Procedure

Install the transmission range selector cable bracket-(2).
Caution:Refer toFastener Caution.
Install the transmission range selector cable bracket bolts-(1) and tighten to 25-Y (18-lb-ft).
Connect the range selector cable-(2) to the range selector cable bracket.Connect the range selector cable end-(1) to the range selector lever.Check the range selector cable adjustment. Refer toRange Selector Lever Cable Adjustment.
Automatic Transmission Flex Plate Replacement Manual Clutch Pressure Plate Assembly
Range Selector Lever Cable Replacement Automatic Transmission UnitWater Pump Installation Engine Cooling Coolant Pump
Prior to installing the water pump, read the entireprocedure. Pay special attention to avoid part damage and to ensureproper sealing.Install the water pump assembly-(1).Install the water pump bolts. Finger tighten thebolts.Caution:Refer toFastener Caution.Tighten the water pump bolts to25-Y-(18-lb-f ...