
| Preliminary ProceduresSet the park brake and chock the wheels.Remove the battery tray. Refer toBattery Tray Replacement. | |
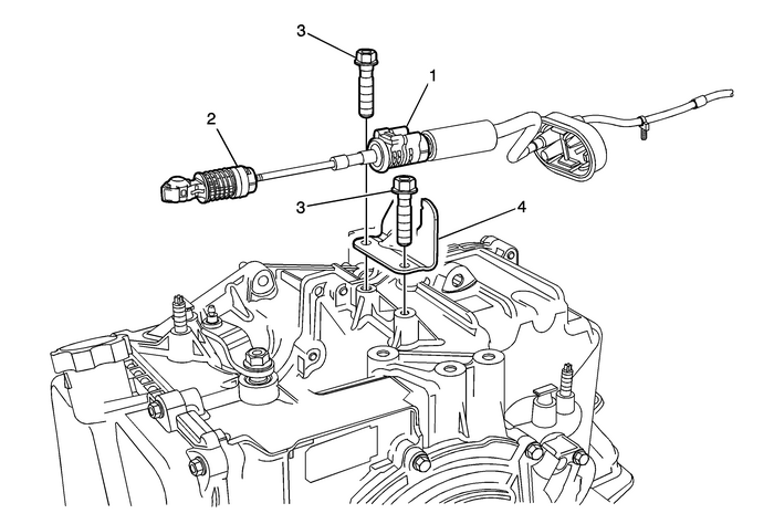
1 | Transmission Range Selector Lever Cable Retaining Lock |
2 | Transmission Range Selector Lever Cable |
3 | Transmission Range Selector Lever Cable Bracket Bolt (Qty: 2) Caution:Refer toFastener Caution. Tighten25-Y (18-lb-ft) |
4 | Transmission Range Selector Lever Cable Bracket Procedure Adjust the cable. Refer toRange Selector Lever Cable Adjustment. |
Range Reference Automatic Transmission Unit
Reaction Carrier Cleaning and Inspection Automatic Transmission UnitDifferential Carrier Assembly Mount Replacement Differentials Differential Carrier
Differential Carrier Assembly Mount ReplacementCalloutComponent NamePreliminary ProcedureRaise the vehicle. Refer toLifting and Jacking the Vehicle.1Left Rear Differential Mount NutCaution:Refer toFastener Caution.Tip:Support the rear differential with a jack stand.Tighten122-Y(90-lb-ft)2Left Rear D ...