Special Tools
EN 45059Angle Meter
For equivalent regional tools, refer toSpecial Tools.

Note:Crankshaft bearings MUST be separated, marked, or organizedin a way to ensure installation to their original location andposition, when suitable for use.
Install the upper crankshaft bearings-(1) andlubricate bearing surfaces with engine oil.
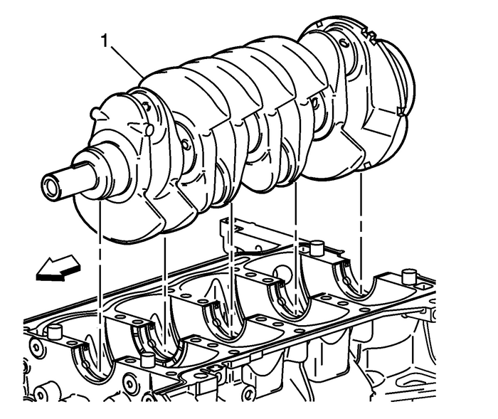
Install the crankshaft-(1) on the journals.

Install the lower bearing halves-(1), withoutgrooves, into the lower crankcase. Apply oil to bearingsurfaces.

Note:
The block assembly surface must be free of contaminationprior to applying the sealer.Install and align the bedplate to block within20-minutes of applying the sealer.The bedplate must be fastened to final torque specificationwithin 60-minutes of applying the sealer.Apply a4.25-mmbead of sealer,dimension-(a), directly in the groove of the block tobedplate mating surfaces. Refer toAdhesives, Fluids, Lubricants, and Sealers.
Install the lower crankcase-(1). Tap gently intoplace with a suitable tool if necessary. Ensure it is alignedproperly on the dowels.

Caution:Refer toFastener Caution.
Install the NEW crankshaft bearing bolts in sequence fingertight.Tighten the crankshaft bearing bolts in sequence to20-Y-(15-lb-ft).Tighten the crankshaft bearing bolts in sequence using theEN 45059meteran additional 70-degrees.
Tighten the lower crankcase perimeter bolts in sequence to25-Y-(18-lb-ft).
Cylinder Head Installation - Right Side Engine Block Cylinder Head
Cylinder Head Installation (LAF, LEA, or LUK) Engine Block Cylinder Head#06-08-43-003D: Windshield Wiper Performance, Cleaning Instructions and Maintenance - (Feb 12, 2013) Wipers
Subject:Windshield Wiper Performance, Cleaning Instructions and MaintenanceModels: 2014 and Prior GM Passenger Cars and Trucks This bulletin is being revised to add the 2013 and 2014 model years and update theglass cleaner part number. Please discard Corporate Bulletin Number 06-08-43-003C(Sect ...