
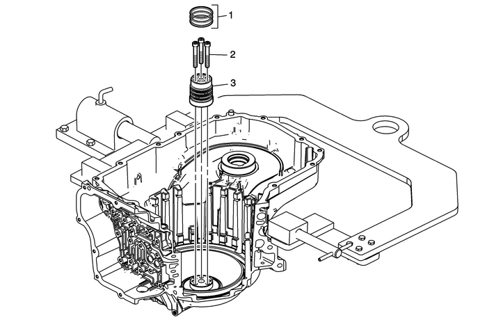
1 | 3-5 Reverse and 4-5-6 Clutch Fluid Seals-(Qty:-3) Note: Discard the fluid seals. They are not reusable.Refer to3-5-Reverse and 4-5-6 Clutch Fluid Seal Ring Replacement. |
2 | Input Shaft Support Bolts-M6-x-50 (Qty:-3) Caution:Refer toFastener Caution. Tighten12-Y (106-lb-in) |
3 | Input Shaft Support Note:Inspect the support for wear, damage or porosity. |
Input Shaft Seal Replacement - Right Automatic Transmission Unit
Input Speed Sensor Replacement Automatic Transmission UnitInstrument Panel Center Air Outlet Replacement (Terrain) Dashboard Assembly
Instrument Panel Center Air Outlet ReplacementCalloutComponent NamePreliminary ProcedureRemove the Radio Control Assembly. Refer toRadio Control Assembly Replacement.1Left Instrument Panel Center Air Outlet Fasteners(Qty:-2)Caution:Refer toFastener Caution.Tighten2.5-Y(22-lb-in)2Left Instrument Pane ...