Special ToolsEL-38826SIR Deployment HarnessEL-39401-BSIR Deployment Fixture
For equivalent regional tools, refer toSpecial Tools.
Live and Undeployed Air BagWarning:Refer toSIR Inflator Module Handling and Storage Warning.
Take special care when handling or storing an undeployed airbag. An air bag deployment produces a rapid generation of gas. Thismay cause the air bag, or an object in front of the air bag, toproject through the air in the event of an unlikelydeployment.
Dual Stage Air BagsDual stage air bags have two deployment stages. Ifstage-1 was used to deploy a dual stage air bag,stage-2 may still be active. Therefore, a deployed dualstage air bag must be treated as an active air bag. If disposal ofa dual stage air bag is required, both deployment loops must beenergized to deploy the air bag.
Scrapping ProcedureDuring the course of a vehicle's useful life, certainsituations may arise which will require the disposal of a live andundeployed air bag. Do NOT dispose a live and undeployed air bagthrough normal disposal channels until the air bag has beendeployed.
Do not deploy the air bag in the following situations:
After replacement of an air bag under warranty—theair bag may need to be returned undeployed to themanufacturer.If the vehicle is the subject of a product liability claim,related to the SIR system and is subject to a preliminaryinvestigation — do NOT alter the SIR system in anymanner.If the vehicle is involved in a campaign affecting the airbags — follow the instructions in the campaign servicebulletin for proper SIR handling procedures.Deployment ProceduresNote:Some countries, states or localities may not allow servicedeployment of air bags without special permission or training.Local laws regarding deploying and scrapping of air bags/deviceswith pyrotechnics must be followed.
You can deploy the air bag either inside or outside of thevehicle. The method used depends upon the final disposition of thevehicle. Review the following procedures in order to determinewhich will work best in a given situation:
Deployment Outside Vehicle – Steering Wheel AirBag, Instrument Panel Air Bag, and Roof Rail Air Bag
Deploy the air bag outside of the vehicle when the vehiclewill be returned to service. Situations that require deploymentoutside of the vehicle include the following:
Using the SIR diagnostics, you determine that the air bag ismalfunctioning.The air bag is cosmetically damaged, scratched, orripped.The air bag pigtail is damaged.The air bag connector is damaged.The air bag connector terminals are damaged.Deployment and disposal of a malfunctioning air bag issubject to any required retention period.
Warning:Refer toSIR Inflator Module Disposal Warning.
Turn OFF the ignition.Warning:Refer toSIR Inflator Module Handling and Storage Warning.
Remove the air bag.
Clear a space on the ground about 1.85-m(6-ft) in diameter for deployment of the air bag ordeployment fixture. If possible, use a paved, outdoor location freeof activity. Otherwise, use a space free of activity on the shopfloor. Ensure you have sufficient ventilation.Clear the area of loose or flammable objects.
Note:Dual stage deployments are only used in steering wheel andinstrument panel air bags. If stage-1 was used to deploya dual stage air bag, stage-2 may still be active. Ifdisposal of a dual stage air bag is required, both deployment loopsmust be energized to deploy the air bag.
If you are deploying a steering wheel air bag, place the airbag in the center of the space with the vinyl trim cover facing upand away from the surface.
When deploying an instrument panel air bag, perform thefollowing instructions:Place theEL-39401-Bfixturein the center of the cleared area.Fill the deployment fixture with water or sand.Using the proper nuts and bolts, mount the instrument panelair bag-(1) to the deployment fixture-(2),with the vinyl trim facing up.Securely tighten all fasteners that hold the instrument panelair bag-(1) to the deploymentfixture-(2).

When deploying a roof rail air bag, perform the followinginstructions:Place theEL-39401-Bfixture(3) in the center of the cleared area.Fill the deployment fixture with water or sand to providesufficient stabilization of fixture during deployment.Adjust and secure the fixture arms-(4) to thedeployment fixture-(3), using the proper nuts andbolts.Attach the roof rail air bag in the deployment fixture andsecurely tighten all fasteners.

Inspect theEL-38826harnessand the appropriate pigtail adapter-(2) fordamage. Replace as needed.Short the 2-SIR deployment harnessleads-(1) together using one banana plug seated into theother.Connect the appropriate pigtail adapter-(2) to theSIR deployment harness-(1).

Extend the SIR deployment harness and adapter to the fulllength from the deployment fixture or area.

Note:On a dual stage air bag, both connectors must be attached tothe deployment harness adapter. This will ensure that bothstage-1 and stage-2 of the deployment loopsare energized, regardless of the deployment state.
Connect the air bag-(1) to theadapter-(2) on the SIR deploymentharness-(3).Note:
The rapid expansion of gas involved with deploying an air bagis very loud. Notify all the people in the immediate area that youintend to deploy the air bag.When the air bag deploys, the deployment fixture may jumpabout 30-cm (1-ft) vertically. This is anormal reaction of the air bag due to the force of the rapidexpansion of gas inside the air bag.If you are deploying a dual stage air bag withstage-1 already deployed, the fixture may not move andthe noise may have been reduced.Clear the area of people.
Separate the 2-banana plugs on the SIR deploymentharness that were shorted together earlier in the procedure.

Place a 12-V minimum/2A minimum power source, suchas a vehicle battery, near the shorted end of the harness.Connect the SIR deployment harness wires to the power source.Deployment of the air bag will occur when contact is made.

Disconnect the SIR deployment harness from the power sourceafter the air bag deploys.If the air bag did not deploy, disconnect the adapter anddiscontinue the procedure and contact the Technical AssistanceGroup.
If deployment was successful, proceed to the followingsteps.
Warning:Refer toSIR Deployed Inflator Modules Are Hot Warning.
Seat one banana plug into the other in order to short thedeployment harness leads.Put on a pair of shop gloves.Disconnect the pigtail adapter from the air bag as soon aspossible.Inspect the pigtail adapter and the SIR deployment harness.Replace as needed.Dispose of the deployed air bag through normal refusechannels.Wash your hands with a mild soap.Deployment Inside Vehicle – Vehicle ScrappingProcedure
Deploy the air bags inside of the vehicle when destroying thevehicle or when salvaging the vehicle for parts. This includes, butis not limited to, the following situations:
The vehicle has completed all useful life.Irrepairable damage occurred to the vehicle in anon-deployment type accident.Irrepairable damage occurred to the vehicle during atheft.The vehicle is being salvaged for parts to be used on avehicle with a different VIN, as opposed to rebuilding as the sameVIN.Warning:Refer toSIR Inflatable Module Deployment Outside Vehicle Warning.
Lower the driver and passenger windows.Turn the ignition switch to the OFF position and remove theignition key.Check that all air bags which will be deployed are mountedsecurely.Remove all loose objects from the front seats.
Warning:A deployed dual stage inflator module will look the samewhether one or both stages were used. Always assume a deployed dualstage inflator module has an active stage 2. Improper handling orservicing can activate the inflator module and cause personalinjury.
Disconnect the steering wheel air bag yellowconnector-(1) from vehicle harness yellowconnector-(3).
Note:If the vehicle is equipped with dual stage air bags thesteering wheel air bag and instrument panel air bag will each have4-wires. Refer toComponent Connector End Viewsfor determining high andlow circuits.
Cut the yellow harness connector out of the vehicle, leavingat least 16-cm (6-in) of wire at theconnector.Strip 13-mm (0.5-in) of insulation fromeach of the connector wire leads.
Cut two 6.1-m (20-ft) deployment wiresfrom a 0.8-mm (18-gauge) or thickermulti-strand wire. Use these wires to fabricate the driverdeployment harness.Strip 13-mm (0.5-in) of insulation fromboth ends of the wires.Twist together one end from each of the wires in order toshort the wires. Deployment wires shall remain shorted, and notconnected to a power source until you are ready to deploy the airbag.

Twist together the 2 connector wire leads from the highcircuits from both stages of the steering wheel air bag, to one setof deployment wires. Refer toComponent Connector End Viewsin order to determine thecorrect circuits.Inspect that the 3-wire connection is secure.Secure and insulate the 3-wire connection to the deploymentharness using electrical tape.

Twist together the 2 connector wire leads from the lowcircuits from both stages of the steering wheel air bag, to one setof deployment wires. Refer toComponent Connector End Viewsin order to determine thecorrect circuits.Inspect that the 3-wire connection is secure.Secure and insulate the 3-wire connection to the deploymentharness using electrical tape.Connect the deployment harness to the connector on thesteering wheel air bag.Route the deployment harness out of the driver side of thevehicle.Disconnect the yellow left roof rail harness connector fromthe vehicle harness connector.Cut the harness connector out of the vehicle, leaving atleast 16-cm (6-in) of wire at theconnector.Strip 13-mm (0.5-in) of insulation fromeach of the connector wire leads.Cut two 6.1-m (20-ft) deployment wiresfrom a 0.8-mm (18-gauge) or thickermulti-strand wire. These wires will be used to fabricate the roofrail air bag deployment harness.Strip 13-mm (0.5-in) of insulation fromboth ends of the wires.Twist together one end from each of the wires in order toshort the wires.Twist together one connector wire lead to one deploymentwire.Secure and insulate the connection using electricaltape.Twist together and tape the remaining connector wire lead tothe remaining deployment wire.Connect the deployment harness to the yellow connector of theroof rail air bag.Route the deployment harness out of the driver side of thevehicle.

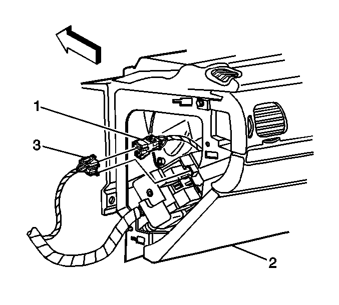
Disconnect the instrument panel air bag yellow harnessconnector-(1) from the vehicle harnessconnector-(2).
Note:If the vehicle is equipped with dual stage air bags thesteering wheel air bag and instrument panel air bag will each have4-wires. Refer toComponent Connector End Viewsfor determining high andlow circuits.
Cut the yellow harness connector out of the vehicle, leavingat least 16-cm (6-in) of wire at theconnector.Strip 13-mm (0.5-in) of insulation fromeach of the connector wire leads.Cut two 6.1-m (20-ft) deployment wiresfrom a 0.8-mm (18-gauge) or thickermulti-strand wire. These wires will be used to fabricate thepassenger deployment harness.Strip 13-mm (0.5-in) of insulation fromboth ends of the wires.Twist together one end from each of the wires in order toshort the wires.Twist together the 2-connector wire leads from thehigh circuits from both stages of the instrument panel air bag toone set of deployment wires. Refer toComponent Connector End Viewsin order to determine thecorrect circuits.Inspect that the 3-wire connection is secure.Secure and insulate the 3-wire connection to the deploymentharness using electrical tape.Twist together the 2-connector wire leads from thelow circuits from both stages of the instrument panel air bag toone set of deployment wires. Refer toComponent Connector End Viewsin order to determine thecorrect circuits.Inspect that the 3-wire connection is secure.Secure and insulate the 3-wire connection to the deploymentharness using electrical tape.Connect the deployment harness to the instrument panel airbag in-line connector.Route the deployment harness out of the passenger side of thevehicle.Disconnect the yellow harness connector to the right roofrail air bag from the vehicle harness connector.Cut the harness connector out of the vehicle, leaving atleast 16-cm (6-in) of wire at theconnector.Strip 13-mm (0.5-in) of insulation fromeach of the connector wire leads.Cut two 6.1-m (20-ft) deployment wiresfrom a 0.8-mm (18-gauge) or thickermulti-strand wire. These wires will be used to fabricate the roofrail air bag deployment harness.Strip 13-mm (0.5-in) of insulation fromboth ends of the wires.Twist together one end from each of the wires in order toshort the wires.Twist together one connector wire lead to one deploymentwire.Secure and insulate the connection using electricaltape.Twist together and tape the remaining connector wire lead tothe remaining deployment wire.Connect the deployment harness to the roof rail air bagyellow connector.Route the deployment harness out of the passenger side of thevehicle.Completely cover the windshield and the front door windowopenings with a drop cloth.Stretch to the full length all of the deployment harnesswires on the right side of the vehicle.Deploy each deployment loop one at a time.Place a power source, 12-V minimum/2A minimum,such as a vehicle battery, near the shorted end of theharnesses.Separate one set of wires and touch the wire ends to thepower source in order to deploy the selected air bag.Disconnect the deployment harness from the power source andtwist the wire ends together.Continue the same process with the remaining deploymentharnesses.Disconnect all harnesses from the vehicle.Discard the harnesses.Scrap the vehicle in the same manner as a non-SIR equippedvehicle.If one or all of the air bags did not deploy, remove theundeployed air bags from the vehicle.
Supplemental Inflatable Restraint System Description and Operation Restraints Control
Steering Wheel Airbag Coil Replacement Restraints ControlDifferential Carrier Assembly Mount Replacement Differentials Differential Carrier
Differential Carrier Assembly Mount ReplacementCalloutComponent NamePreliminary ProcedureRaise the vehicle. Refer toLifting and Jacking the Vehicle.1Left Rear Differential Mount NutCaution:Refer toFastener Caution.Tip:Support the rear differential with a jack stand.Tighten122-Y(90-lb-ft)2Left Rear D ...