
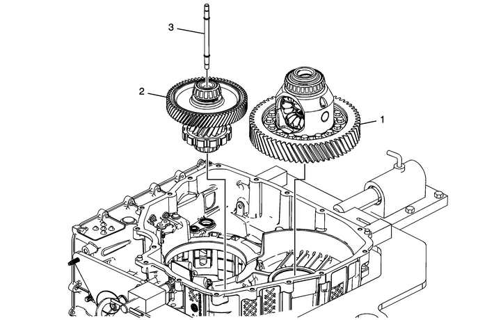
1 | Front Differential Carrier Assembly Note:Install the differential assembly and the pinion gear assembly together to avoid interferencewith the gears during installasion. |
2 | Front Differential Drive Pinion (w/Transfer Gear) Gear Assembly |
3 | Front Differential Drive Pinion Gear Lube Tube |
Front Differential Carrier Preliminary Rotational Torque Measurement Automatic Transmission Unit
Taper Bearing Preload Selective Specifications Automatic Transmission Unit#07-02-32-002N: Hydraulic Power Steering System Leak - Required Diagnostic Actions - (Sep 18, 2013) Hydraulic Steering
Subject:Hydraulic Power Steering System Leak – Required Diagnostic ActionsModels: 2005-2014 GM Cars and TrucksEquipped with Hydraulic SteeringThis bulletin has been revised to add the 2014 model year and to change the tool requiredto remove the steering line fitting seals. Please discard Corporat ...