
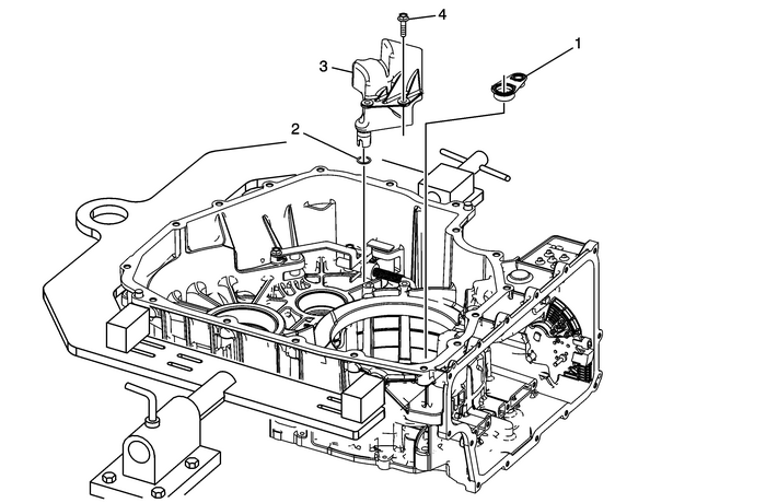
1 | A/Trans Fluid Pump Outlet Seal Assembly |
2 | A/Trans Fluid Trough (O-ring) Seal |
3 | A/Trans Fluid Trough |
4 | A/Trans Fluid TroughBolt-M6-x-25 (Qty: 1) Caution:Refer toFastener Caution. Tighten12-Y(106-lb-in). |
Fluid Pump Selective Measurement Automatic Transmission Unit Transmission Oil Pump
Fluid Trough Removal Automatic Transmission UnitCylinder Head Assemble (LAF, LEA, or LUK) Engine Block Cylinder Head
Special ToolsEN-8062Valve Spring CompressorEN-9666Valve Spring TesterEN-43963Valve Spring Compressor (off car)For equivalent regional tools, refer toSpecial Tools.Caution:In order to avoid damage, install the spark plugs after thecylinder head has been installed on the engine.Caution:Refer toCompone ...