Special ToolsJ-28467-B Universal Engine Support FixtureJ-28467-501 Engine Support Fixture AdaptersJ-36857 Engine Lift Bracket
For equivalent regional tools, refer toSpecial Tools.
Installation ProcedureRemove the intake manifold cover. Refer toIntake Manifold Cover Replacement.Remove the right headlamp. Refer toHeadlamp Replacement.
Note:Ensure the engine lift bracket is fully seated against the engine block.
Install the J-36857 engine rear lift bracket (1).
Note:Ensure the engine lift bracket is fully seated against the engine block.
Install the J-36857 engine front lift bracket (1).
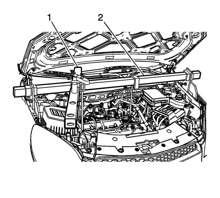
Loosen the J-28467-501 engine support fixture adapters adjusting nut.Assemble the J-28467-501 engine support fixture adapters (1) legs to the vehicle and install the J-28467-B universal engine support fixture cross bar and place across the engine compartment.Tighten the adjusting nuts on the J-28467-501 engine support fixture adapters legs until snug, then back the nut off ¼ turn.

From the J-28467-B universal engine support fixture, install the radiator shelf tube J-28467-2A-(1) on top of the strut tower tube J-28467-3-(2)above the engine front (right back) lift hook bracket.Install the round tube of the front support assembly J-28467-4A-(3) through the largehole in the radiator shelf tube J-28467-2A.Locate the J-28467-4A front support assembly to the upper tie bar.Install the J-28467-9 7/16 inch x 2.0 inch quick-release pin-(4) through the top holein the J-28467-4A front support assembly.

Install the J-28467-1A cross bracket assembly-(1).Hand tighten the J-28467-1A cross bracket wing nuts-(2).

Install the J-28467-7A bolt hook through the J-28467-6A bracket.Install the J-28467-34 lift hook wing nut and washer to the J-28467-7A lift hook.

Install one of the lift hook and bracket assemblies-(1) to the engine support fixturelong bar-(2).Install the other lift hook and bracket assembly-(3) to the J-28467-2A radiator shelftube-(4) above the engine front lift bracket.Install the lift hook J-28467-7A through the engine rear lift bracket.Install the lift hook J-28467-7A (3) through the engine front lift bracket.Hand tighten the lift hook wing nuts J-28467-34- in order to remove all slack fromthe engine support fixture assembly.
Cooling System Draining and Filling (GE 47716) Engine Cooling
Engine Support Fixture Engine Block Engine MountsFuel Pump Replacement Engine Control
Special Tools EN-48896 High Pressure Fuel Pump Installation Alignment GaugeFor equivalent regional tools, refer toSpecial Tools.Removal ProcedureRelieve the low and high side fuel system pressure. Refer toFuel Pressure Relief.Remove thermostat housing. Refer toEngine Coolant Thermostat Replacement.D ...