Removal Procedure

Remove the engine mount bracket-(1). Refer toEngine Mount Bracket Replacement.Remove the drive belt tensioner. Refer toDrive Belt Tensioner Replacement.Remove the crankshaft balancer. Refer toCrankshaft Balancer Replacement.Disconnect the oxygen sensor harness from the front cover andreposition.

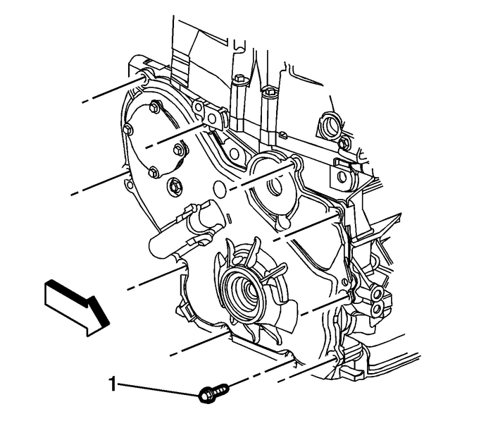
Remove the engine front cover to water pumpbolt-(1).

Raise and suitably support the vehicle. Refer toLifting and Jacking the Vehicle.Remove the engine front cover bolts-(1).Remove the engine front cover.

Remove and discard the engine front covergasket-(1).Installation Procedure

Install a NEW engine front cover gasket-(1) to thedowel pins.Install the engine front cover.

Caution:Refer toFastener Caution.
Install the engine front cover bolts-(1) andtighten to25-Y(18-lb-ft).Lower the vehicle.
Install the engine front cover to water pumpbolt-(1) and tighten to25-Y(18-lb-ft).

Reposition the oxygen sensor harness to the frontcover.Install the crankshaft balancer. Refer toCrankshaft Balancer Replacement.Install the drive belt tensioner. Refer toDrive Belt Tensioner Replacement.Install the engine mount bracket-(1). Refer toEngine Mount Bracket Replacement.
Timing Chain Idler Sprocket Replacement - Right Side Valvetrain Valvetrain Timing Timing Belt/Chain
Evaporative Emission Canister Vent Solenoid Valve Replacement Emissions Evap Evap Canister PurgeBrake Rotor Thickness Variation Measurement Disc Brakes Brake Rotors
Warning:Refer toBrake Dust Warning.Note:Any disc brake rotor that exhibits thickness variation exceeding the maximum acceptablelevel must be refinished or replaced. Thickness variation exceeding the maximum acceptablelevel can cause brake pulsation.If the inboard friction surface of the brake rotor ...