
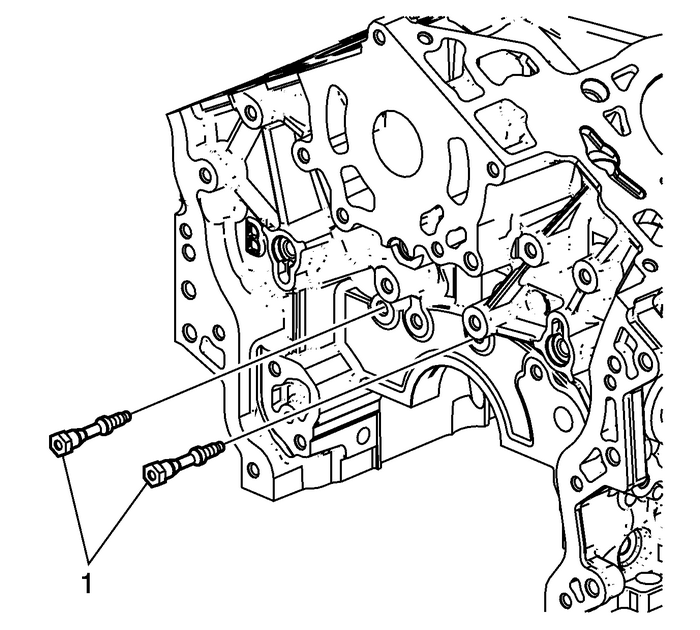
Remove the engine front cover studs-(1).

Remove the block heater cartridge, if equipped.

Remove the right knock sensor bolt.Remove the right knock sensor.

Remove the left knock sensor bolt.Remove the left knock sensor.

Remove the crankshaft position sensor bolt.Remove the crankshaft position sensor.

Remove the crankshaft position sensor O-ring, ifdamaged.

Remove oil jet bolts.Remove oil jets.

Remove the right front oil pan rail oil gallery expansionplug.

Remove the cylinder block-to-oil panalignment dowels.

Remove the M14 right side oil gallery threaded plug.

Remove the M14 right side coolant drain threaded plug.

Remove the M14 rear oil gallery threaded plug.

Remove the M14 left side coolant drain threaded plug.

Remove the M20 left side oil gallery threaded plug.

Remove the coolant expansion plugs.

Remove the cylinderblock-to-transmission alignmentdowels.

Remove the front oil gallery expansion plug.

Remove the cylinder block-to-cylinderhead alignment dowels.
Water Pump Removal Engine Cooling Coolant Pump
Fuel Pump Removal Fuel System Fuel PumpsFront Side Door Lock Cylinder Rod Replacement Locks Mechanical Locks
Front Side Door Lock Cylinder Rod ReplacementCalloutComponent NamePreliminary ProceduresRemove the front side door trim panel. Refer toFront Side Door Trim Panel Replacement.Remove the front side door latch. Refer toFront Side Door Latch Replacement.1Front Side Door Locking RodProcedureRemove the wa ...