Special Tools
EN 45059Angle Meter
For equivalent regional tools, refer toSpecial Tools

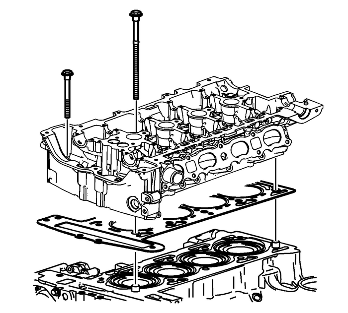
Note:Do not use any sealing material.
Install the cylinder head gasket to the block.Install the cylinder head. Ensure the number1-cylinder is at top dead center-(TDC). Thekey on the crankshaft should be on top in the 12-o'clockposition.
Caution:Refer toFastener Caution.
Note:Always use NEW cylinder head bolts.
Install the cylinder head bolts.Tighten the bolts in sequence to30-Y(22-lb-ft).Tighten the bolts an additional155-degreesin sequence usingtheEN 45059meter.
Install the front cylinder head bolts and tighten to30-Y(22-lb-ft).
Lower Crankcase Installation Engine Block Cylinder Block
Cylinder Head Replacement - Left Side Engine Block Cylinder HeadCooling System Draining and Filling (GE 47716) Engine Cooling
Special ToolsJ 26568Coolant and Battery Fluid TesterJ 42401Radiator Cap and Surge Tank Test AdapterGE-47716Vac N Fill Coolant Refill ToolDraining ProcedureWarning:With a pressurized cooling system, the coolant temperature inthe radiator can be considerably higher than the boiling point ofthe solutio ...