Special Tools
EN-42067Rear Main Seal Installer
For equivalent regional tools, refer toSpecial Tools.
Removal ProcedureRemove the flywheel. Refer toEngine Flywheel Replacement
Note:Do not damage the outside diameter of the crankshaft orchamber with any tool.
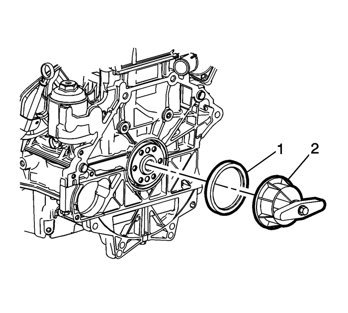
Use a suitable tool to remove the crankshaft rear oil seal(1).Installation Procedure
Using the (2)EN-42067installer, install a NEW crankshaft real oil seal (1).Install the flywheel. Refer toEngine Flywheel Replacement.
Crankshaft Balancer Installation Engine Block Cylinder Block Crankshaft
Crankshaft Rear Oil Seal Installation Engine Block Seals and Gaskets3-5-Reverse and 4-5-6 Clutch Housing, and Input, Reaction, and Output Carrier Installation Automatic Transmission Unit
3-5-Reverse and 4-5-6 Clutch Housing, and Input, Reaction, and Output Carrier InstallationCalloutComponent Name13–5 Reverse and 4–5–6 Clutch Housing Thrust Bearing22–6 Clutch Apply Plate (Waved)32–6 Clutch Plate-(Qty:-1)Note:Only install one 2–6 Clutch Plate. The remaining clutch plate i ...