
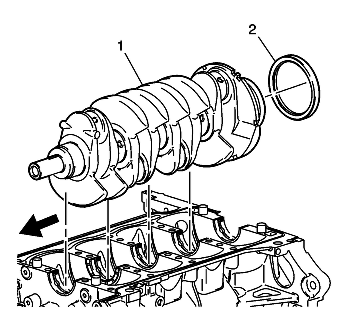
Remove the crankshaft-(1) from the block.Remove the crankshaft rear oil seal-(2) from theblock.

Note:Crankshaft bearings MUST be separated, marked, or organizedin a way to ensure installation to their original location andposition, when suitable for use.
Remove the bearing inserts-(1) from theblock-(2).
Remove the bearing inserts-(1) from the bedplate-(2).Clean the oil, sludge, and carbon.Inspect the oil passages for obstructions.Inspect the threads.Inspect the bearing journals and the thrust surfaces for thefollowing conditions:CracksChipsGougesRoughnessGroovesOverheating (discoloration)Inspect the corresponding bearing inserts for imbeddedforeign material. If foreign material exists find the cause andrepair it.
Note:Replace the crankshaft if cracks, severe gouges or burnedspots are found. Slight roughness may be removed with a finepolishing cloth soaked in clean engine oil. Burrs may be removedwith a fine oil stone.
Measure the crankshaft journals. Use a micrometer or dialindicator to measure the taper and runout. Note the result for thelater selection of bearing inserts. If not within limits thecrankshaft must be replaced.Note the location of the main bearing high spots. If they arenot in line, the crankshaft is bent and must be replaced.
Engine Front Cover Removal Engine Block Cylinder Block Cyl Block Front Cover
Crankshaft Rear Oil Seal and Housing Removal Engine Block Seals and GasketsPiston and Connecting Rod Assemble Engine Block Cylinder Block Piston Assembly
Special ToolsEN-46745Piston Pin Retainer Remover andInstallerFor equivalent regional tools, refer toSpecial Tools.Note:Install the piston onto the connecting rod with the arrow ontop of the piston toward the front oriented toward the front of theengine.Note:The cast boss-(1) can be in either or both ...