Special ToolsGE 6125-1BSlide Hammer AdapterEN 49102Crankshaft Bearing Cap Remover
For equivalent regional tools, refer toSpecial Tools.
Crankshaft End Play MeasurementPlace a dial indicator at the crankshaft nose.Gently force the crankshaft to the extreme front and rearpositions with a pry tool while monitoring the movement of the dialindicator.The crankshaft end play should not exceed specifications.Refer toEngine Mechanical Specifications.If the specifications are exceeded inspect the thrust bearingthrust OD and the crankshaft thrust wall for wear and/or excessiverunout. Refer toEngine Mechanical Specifications.Replace the thrust bearing or crankshaft as necessary.Crankshaft Removal
Remove the crankshaft bearing cap side bolts.Remove the crankshaft bearing cap outer bolts.Remove the crankshaft bearing cap inner bolts.

Remove the crankshaft bearing caps using theGE 6125-1Badapter-(1) andEN 49102remover-(2) .

Using two hands, lift the crankshaft straight up from theengine block.Place the crankshaft in a secure place.

Remove the crankshaft key from the nose of the crankshaft, ifdamaged.Crankshaft Bearing RemovalPrepare a piece of cardboard or equivalent, numbered1–4 for bearing identification. Main bearing journals arenumbered from the front of the engine.

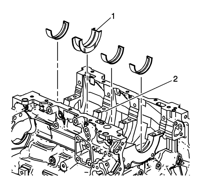
Remove the crankshaft upper bearing halves from the cylinderblock. Note the position of the thrust bearing-(1) atthe number-3 journal-(2).Place the crankshaft upper bearing halves on the cardboard inthe correct positions. Note that the number-3 bearing isthe thrust bearing.

Remove the crankshaft lower bearing halves from thecrankshaft bearing caps.Place the crankshaft lower bearing halves in the correctpositions on the cardboard.
 Crankshaft and Bearing Installation Engine Block Cylinder Block Crankshaft
Crankshaft and Bearing Installation Engine Block Cylinder Block Crankshaft Camshaft Cleaning and Inspection Valvetrain Camshaft
Camshaft Cleaning and Inspection Valvetrain CamshaftAudible Warnings Description and Operation Gauges
   The audible warnings alert the driver of a system concern or a critical vehicle condition.The radio generates the audible warnings through the speakers. The radio receivesaudible warning requests via the serial data circuit. If the radio receives multipleaudible warning requests, the warning with th ...