| Table 1: | Control Valve Body Cover Removal |
| Table 2: | Control Solenoid (With Body and TCM) Valve Assembly Removal |
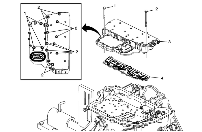
| Table 3: | Control Valve Body Assembly Removal |

1 | Control Valve Body Cover Bolts-M6-x-30-(Qty:-13) |
2 | Control Valve Body Cover |
3 | Control Valve Body Gasket Note:Discard the seal. It is not reusable. |
4 | Control Valve Body Cover Wiring Connector Hole Seal Caution:Support the control solenoid valve assembly around theconnector when removing the seal. Excessive pulling force candamage the internal electrical connections. Note:Discard the seal. It is not reusable. |
5 | Shift Position Switch Connector |
6 | Output Speed Sensor Connector |
7 | Input Speed Sensor Connector |

1 | Control Valve Body M5-x-40.5-(Qty:-3) |
2 | Control Valve Body Bolt M6-x-30-(Qty:-12) |
3 | Control Solenoid (with Body and TCM) Valve Assembly |
4 | Control Solenoid Valve Assembly Filter Plate Caution:Use care when removing or installing the filter plateassembly. A broken or missing retaining tab may not adequatelysecure the filter plate to the control solenoid valve assembly,resulting in possible damage or contamination. Note:Discard the filter plate. It is not reusable. |

1 | Fluid Level Control Valve |
2 | Fluid Level Control Valve Gasket |
3 | Control Valve Body Bolt M6-x-60-(Qty:-9) |
4 | Control Valve Body Bolt M6-x-53-(Qty:-2) |
5 | Control Valve Body Assembly |
6 | Control Valve Body Spacer Plate Assembly |
7 | Manual Shaft Detent Spring Bolt M6-x-16-(Qty:-1) |
8 | Manual Shaft Detent Lever Spring Assembly |
9 | 1-2-3-4 Clutch Fluid Passage Seal Note:Discard the seal. It is not reusable. |
10 | Low/Reverse Clutch Fluid Passage Seal Note:Discard the seal. It is not reusable. |
Control Valve Body Assembly Removal Automatic Transmission Unit Control Valve Body
Front Differential Drive Pinion Gear Bearing Thrust Washer and Front Differential Bearing Washer Measurement Automatic Transmission UnitMass Airflow Sensor with Intake Air Temperature Sensor Replacement Engine Control Engine Control Sensors MAF/Airflow Sensor
Mass Airflow Sensor with Intake Air Temperature Sensor ReplacementCalloutComponent Name1Mass Airflow Sensor Fastener (Qty: 2)Caution:Refer toFastener Caution.Tighten4-Y(35-lb-in)2Mass Airflow SensorProcedureDisconnect the electrical connector. ...