
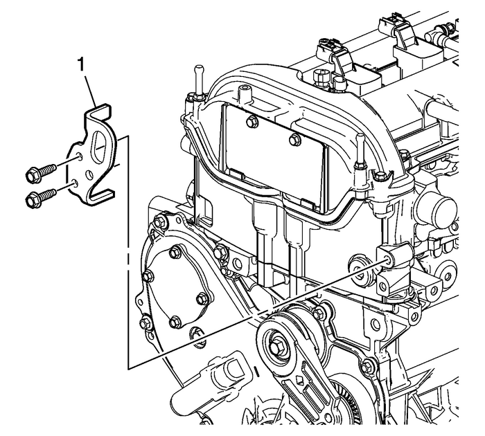
Remove the rear lift bracket-(1).

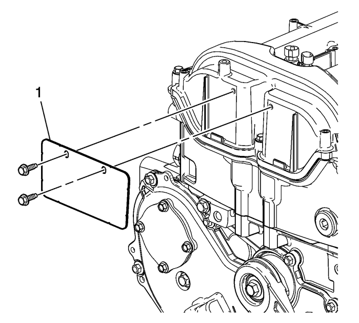
Remove the front lift bracket-(1).

Remove the ignition coil-(1).

Remove the camshaft housing coverinsulator-(1).

Note:DO NOT remove the PCV hose from the camshaft cover. If damageto the hose or connectors is present, the cover must bereplaced.
Remove the camshaft cover assembly-(1).Remove and discard the camshaft cover gasket, camshaft covergrommets, and camshaft cover bolts if they are serviced with thegrommet.
Primary Timing Chain Guide Removal - Upper Valvetrain Valvetrain Timing Timing Belt/Chain
Timing Chain Idler Sprocket Removal - Right Side Valvetrain Valvetrain Timing Timing Belt/ChainFluid and Lubricant Recommendations
Fluid and Lubricant RecommendationsUsageFluid/LubricantEngine OilUse only engine oil licensed to the dexos1 specfication, or equivalent, of the properSAE viscosity grade. ACDelco dexos1 Synthetic Blend is recommended.Engine Coolant50/50 mixture of clean, drinkable water and use only DEX-COOL Coolant ...