Removal Procedure
Warning:Refer toBrake Fluid Irritant Warning.
Caution:Refer toBrake Fluid Effects on Paint and Electrical Components Caution.
Caution:Always connect or disconnect the wiring harness connectorfrom the EBCM/EBTCM with the ignition switch in the OFF position.Failure to observe this precaution could result in damage to theEBCM/EBTCM.
Turn the ignition switch to the OFF position.Remove the accessory wiring junction block. Refer toAccessory Wiring Junction Block Replacement.
Disconnect the electronic brake control module (EBCM)electrical connector by lifting the locking tabs.Disconnect the left front brake pipefitting-(1)-at the brake pressure modulatorvalve (BPMV).Cap the brake pipe fitting and plug the BPMV outlet port toprevent brake fluid loss and contamination.Disconnect the right front brake pipefitting-(2)-from the BPMV.Cap the brake pipe fitting and plug the BPMV outlet port toprevent brake fluid loss and contamination.

Disconnect the master cylinder primary brake pipefitting-(1)-from the BPMV.Cap the brake pipe fitting and plug the BPMV inlet port toprevent brake fluid loss and contamination.Disconnect the master cylinder secondary brake pipefitting-(2)-from the BPMV.Cap the brake pipe fitting and plug the BPMV inlet port toprevent brake fluid loss and contamination.

Disconnect the left rear brake pipefitting-(1)-from the BPMV.Cap the brake pipe fitting and plug the BPMV outlet port toprevent brake fluid loss and contamination.Disconnect the right rear brake pipefitting-(2)-from the BPMV.Cap the brake pipe fitting and plug the BPMV outlet port toprevent brake fluid loss and contamination.

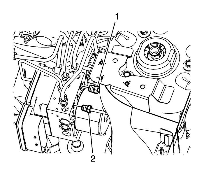
Remove the BPMV bolt-(1).

Note:Do not pry on the accumulator caps on the underside of theBPMV.
Carefully remove the BPMVassembly-(1)-by pulling straightupward.Inspect the insulators for damage and replace, ifnecessary.If replacing the BPMV, remove the EBCM. Refer toElectronic Brake Control Module Replacement.Installation ProcedureInstall the EBCM, if removed. Refer toElectronic Brake Control Module Replacement.
Install the BPMV assembly-(1)-to thebracket.

Caution:Refer toFastener Caution.
Install the BPMV bolt-(1)-and tightento-10-Y(89-lb-in).
Connect the left rear brake pipefitting-(1)-to the BPMV and tightento-21-Y(16-lb-ft).Connect the right rear brake pipefitting-(2)-to the BPMV and tightento-21-Y(16-lb-ft).

Connect the master cylinder primary brake pipefitting-(1)-to the BPMV and tightento-21-Y(16-lb-ft).Connect the master cylinder secondary brake pipefitting-(2)-to the BPMV and tightento-21-Y(16-lb-ft).

Connect the left front brake pipefitting-(1)-to the BPMV and tightento-21-Y(16-lb-ft).Connect the right front brake pipefitting-(2)-to the BPMV and tightento-21-Y(16-lb-ft).Connect the EBCM electrical connector.Install the accessory wiring junction block. Refer toAccessory Wiring Junction Block Replacement.Bleed the hydraulic brake system. Refer toHydraulic Brake System Bleeding.Turn the ignition switch to the ON position.Perform theDiagnostic System Check - Vehicle.Observe the brake pedal feel after performing the diagnosticsystem check. If the pedal now feels spongy, air may have been in,or may have been introduced into the primary circuit.If the pedal feels spongy, perform theAntilock Brake System Automated Bleed.
Front Wheel Speed Sensor Replacement Sensors Wheel Speed Sensors
Steering Angle Sensor Replacement Sensors Steering Angle SensorRadio Speaker Amplifier Replacement
Radio Speaker Amplifier ReplacementCalloutComponent NamePreliminary ProcedureRemove the instrument insulator panel. Refer toInstrument Panel Insulator Panel Replacement - Left SideRemove the driver knee bolster reinforcement. Refer toDriver Knee Bolster Reinforcement Replacement1Amplifier Bracket Pu ...