Removal ProcedureRecord all of the radio station presets.Disconnect the battery negative cable. Refer toBattery Negative Cable Disconnection and Connection.

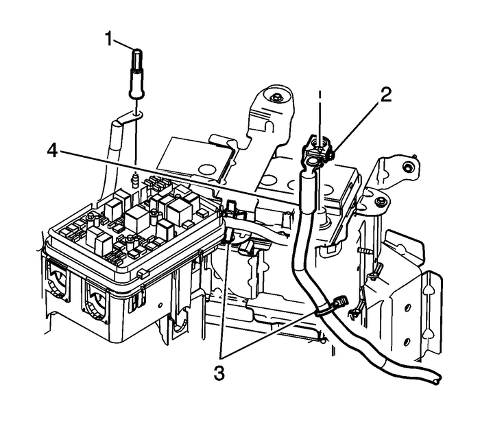
Remove the battery positive post clampnut-(2).Remove battery positive terminal-(1) at the fuseblock.Disconnect retainers-(3) holding battery positivecable-(4).

Remove generator nut-(1) from the generator B+stud.Remove the starter solenoid nut-(2).Remove the battery positive (Starter) cable-(4)and the battery positive (Generator) cable-(5) from thevehicle.Remove the retainers-(3) holding the batterypositive cables to the engine.
Note:Observe how the battery positive cable was routed within theengine compartment.
Installation Procedure
Caution:Refer toFastener Caution.
Install the battery positive cable nut-(2) to theB+ generator stud and tighten to20-Y(15-lb-ft).Install battery positive cable nut-(2) andterminals (Starter/Generator),to the starter solenoid.Tighten to10-Y(88-lb-in)Install retainers-(3) to the engine.
Install the battery positive cable terminalnut-(1) to the fuse block and tighten to16-Y(12-lb-ft).Install battery positive cable clamp nut-(2) tothe battery post and tighten to10-Y(88-lb-in)Install engine control module (ECM) and battery cover.Reset the radio channel presets.
Battery Negative Cable Replacement (LFX) Low Voltage Battery
Battery Positive Cable Replacement (LFX) Low Voltage BatteryFront Wheel Drive Shaft Outer Joint and Boot Replacement Wheels
Special ToolsCH-48894Wheel Drive Shaft Boot Clamp PliersJ-35910Drive Axle Seal Clamp PliersNote:The outer Constant Velocity Joint is not service separately.If the CV joint is found to have excessive wear or damage, replacethe wheel drive shaft as an assembly.Disassemble ProcedureRemove the wheel dri ...